
近日隐石检测接到某公司委托,对机械零件进行断口分析
测试方法:JY/T 010-1996、GB/T 17359-2012
图1为来样形貌,根据客户要求对断口形貌进行观测。
图2为断口体式形貌,宏观来看,有周期扩展特征,且表面A区有摩擦特征,说明该区域断裂较早,因此推断从A区向C区方向扩展,详见图中标注。
图3为断口A区形貌,可见边部有明显摩擦特征
图4为摩擦区域放大形貌,摩擦平整,无断口特征;
图5为A区非摩擦区域微观形貌,主要为撕裂小韧窝,部分区域有类似疲劳纹的褶痕;
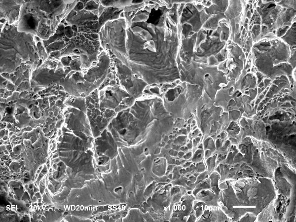
图6为B区微观形貌,主要为韧窝形貌,部分区域有类似疲劳纹的褶痕;图7为C区形貌,主要为韧窝形貌,部分区域有类似疲劳纹的褶痕。从微观形貌分析,断裂源A区为撕裂韧窝,说明裂纹扩展经过缓慢萌生的过程,各区类似疲劳纹的褶痕方向不一,可能是断裂滑移线。

图1来样形貌

图2断口体式形貌

图3 断口A区形貌 20X

图4 断口A区摩擦形貌 500X

图5 断口A区非摩擦区域形貌 1000X

图6断口B区形貌 1000X

图7断口C区形貌 1000X
利用能谱仪对断口A区进行成分定性及半定量分析,结果见表1和图8,主要为O、Si、Al、Ti、Cr、Fe、Ni、Nb、Mo等。
表1 断口A区能谱分析结果(wt%)
Memo | O | Al | Si | Ti | Cr | Fe | Ni | Nb | Mo | Total |
1 | 1.51 | 0.45 | 0.34 | 1.06 | 18.91 | 20.22 | 49.88 | 4.58 | 3.05 | 100 |
2 | 2.74 | 0.47 | 0.42 | 1.31 | 18.79 | 19.80 | 48.10 | 5.25 | 3.13 | 100 |
3 | 9.43 | 0.77 | 0.94 | 2.37 | 19.68 | 20.51 | 35.82 | 5.92 | 4.56 | 100 |
图8 断口A区能谱分析位置及谱图




小结:断口断裂起源于表面A区,断口各区主要为韧窝特征,宏观来看断口受到周期力作用,但微观未见典型疲劳特征,因此该断口不是典型的疲劳断口。
…………………………报告结束…………………………
以上就是断口分析实验报告全部内容,本文内容由隐石检测实际案例中提取,不得转载与复制!